上海江控阀门有限公司生产的SD941X电动伸缩蝶阀是集法兰蝶阀和伸缩节于一体的新式蝶阀,与多回传型电动执行器相连接后,可以控制阀门的开关或者调节(输入输出信号4-20mA)管道介质流量大小。
特点:
1.流通能力大。
2.性能稳定、密封可靠、磨擦力小、开关轻便。
3.具有连线简单,结构紧凑,动作稳定。
适用场景:
SD941X电动伸缩蝶阀适用于水厂、电厂、钢厂、石油化工、食品医药、轻纺、造纸等系统给水、排水场合使用,尤其适用于水管路中作为调节和截流设备使用。
| SD941X电动伸缩蝶阀 |
| 公称通径DN(mm) | 300~2000 | |
|---|---|---|
公称压力PN(MPa) | 1.0 | |
| 试验压力(MPa) | 壳体 | 1.5 |
| 密封 | 1.1 | |
| 适用温度 | -15 ~ 120度 | |
| 适用介质 | 饮用水、污水、海水等。 | |
| 阀体 | 阀板 | 转轴 | 衬套 | 阀座 | ||||
|---|---|---|---|---|---|---|---|---|
| 材料名称 | 代号 | 材料名称 | 代号 | 材料名称 | 材料名称 | 材料名称 | 代号 | 适用温度 |
灰铸铁 球墨铸铁 铝青铜 不锈钢 CF8M不锈钢 碳钢 | Z Q T P R C | 电镀球墨铸铁 铝青铜 不锈钢 钛钢 CF8M不锈钢 碳钢 | B1 B2 B3 B4 B5 B6 | 不锈钢 碳钢 | 润滑青铜 聚四氟乙烯 | 天然橡胶 海帕伦 乙丙橡胶 氯丁橡胶 丁晴橡胶 耐磨橡胶 氟橡胶 耐热乙丙橡胶 聚四氟乙烯 | X1 X2 X3 X4 X5 X6 X7 X9 F | -20~85度 -20~120度 -20~120度 -7~93度 -20~100度 -10~100度 -20~200度 -20~135度 -20~150度 |
| 型号 | 公称 转矩 (N.m) | 大控 制转矩 (N.m) | 小控 制转矩 (N.m) | 输出轴 转圈数 (圈) | 允许通过阀杆直径 (mm) | 手动 速比 | 输出转速 (r/min) | 电机功率 (kw) | 重量 (kg) |
|---|---|---|---|---|---|---|---|---|---|
| Z5 | 50 | 75 | ≤25 | 150 | 28 | 1∶1 | 18 | 0.12 | 28 |
| Z10 | 100 | 150 | ≤50 | 160 | 24、36 | 0.25 0.37 | 61 | ||
| Z15 | 150 | 225 | ≤75 | 0.37 0.55 | 63 | ||||
| Z20 | 200 | 300 | ≤100 | 40 | 0.55 0.75 | 63 | |||
| 28 | |||||||||
| Z30 | 300 | 450 | ≤150 | 40 | 24 | 0.75 | 65 | ||
| 28 | |||||||||
| Z45 | 450 | 675 | ≤225 | 110 | 48 | 24 | 1.1 | 110 | |
| 36 | 1.5 | ||||||||
| Z60 | 600 | 900 | ≤300 | 24 | 1.5 | 112 | |||
| 36 | 2.2 | ||||||||
| Z90 | 900 | 1350 | ≤450 | 60 | 24 | 2.2 | 139 | ||
| 48 | 36 | 3.0 | |||||||
| Z120 | 1200 | 1800 | ≤600 | 60 | 24 | 3.0 | 142 | ||
| 48 | |||||||||
| Z180 | 1800 | 2160 | ≤900 | 140 | 70 | 25∶1 | 24 | 4.0 | 261 |
| 36 | 5.5 | ||||||||
| Z250 | 2500 | 3000 | ≤1250 | 24 | 5.5 | 264 | |||
| Z350 | 3500 | 4200 | ≤1750 | 75 | 13∶1 | 18 | 7.5 | 430 | |
| Z500 | 5000 | 6000 | ≤2500 | 10 | 440 | ||||
| Z800 | 8000 | 9600 | ≤4000 | 120 | 80 | 90∶1 | 12 | 13 | 800 |
| Z1000 | 10000 | 12000 | ≤5000 | 100 | 15 | 820 |
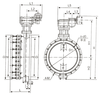
![]() |
| DN | D | D1 | d | b | C | L | n-dO | 4-M | H | H1 | H2 | L1 | L2 | L3 | L4 | L5 | Ф | 重里 | ||
|---|---|---|---|---|---|---|---|---|---|---|---|---|---|---|---|---|---|---|---|---|
| (mm) | L0 | Lmax | Lmin | (kg) | ||||||||||||||||
| 300 | 445 | 400 | 370 | 28 | 57 | 282 | 302 | 252 | 8-23 | M20 | 959 | 542 | 267 | 449 | 178 | 254 | 104 | 473 | 300 | 148 |
| 350 | 505 | 460 | 429 | 30 | 64 | 301 | 321 | 271 | 12-23 | M20 | 1048 | 583 | 315 | 449 | 178 | 254 | 104 | 473 | 300 | 188 |
| 400 | 565 | 515 | 480 | 32 | 70 | 313 | 333 | 283 | 12-28 | M24 | 1120 | 620 | 350 | 449 | 178 | 254 | 104 | 473 | 300 | 237 |
| 450 | 615 | 565 | 530 | 32 | 76 | 334 | 354 | 304 | 16-28 | M24 | 1190 | 667 | 373 | 449 | 178 | 254 | 104 | 473 | 300 | 268 |
| 500 | 670 | 620 | 582 | 34 | 76 | 346 | 366 | 316 | 16-28 | M24 | 1280 | 702 | 428 | 486 | 196 | 254 | 130 | 528 | 300 | 289 |
| 600 | 780 | 725 | 682 | 36 | 89 | 398 | 418 | 368 | 16-31 | M27 | 1409 | 759 | 450 | 627 | 244 | 245 | 162 | 596 | 400 | 480 |
| 700 | 895 | 840 | 794 | 40 | 115 | 425 | 445 | 395 | 20-31 | M27 | 1613 | 885 | 528 | 627 | 244 | 245 | 162 | 596 | 400 | 615 |
| 800 | 1015 | 950 | 901 | 44 | 120 | 455 | 475 | 425 | 20-34 | M30 | 1736 | 1013 | 573 | 635 | 270 | 295 | 196 | 711 | 300 | 818 |
| 900 | 1115 | 1050 | 1001 | 46 | 120 | 485 | 505 | 455 | 24-34 | M30 | 1860 | 1071 | 639 | 635 | 270 | 295 | 196 | 711 | 300 | 956 |
| 1000 | 1230 | 1160 | 1112 | 50 | 150 | 495 | 515 | 465 | 24-37 | M33 | 2107 | 1234 | 723 | 955 | 455 | 296 | 295 | 807 | 300 | 1277 |
| 1200 | 1455 | 1380 | 1328 | 56 | 175 | 542 | 562 | 512 | 2&40 | M36 | 2326 | 1343 | 833 | 955 | 455 | 296 | 295 | 807 | 300 | 1764 |
| 1400 | 1675 | 1590 | 1530 | 62 | 195 | 612 | 632 | 582 | 3243 | M39 | 2996 | 1668 | 1078 | 1270 | 598 | 387 | 414 | 1089| 500 : | 42801 | |
| 1600 | 1915 | 1820 | 1750 | 68 | 220 | 640 | 660 | 610 | 3&49 | M45 | 3246 | 1778 | 1218 | 1270 | 598 | 387 | 414 | 1089 | 500 | 4953 |
| 1800 | 2115 | 2020 | 1950 | 70 | 245 | 710 | 730 | 680 | 4049 | M45 | 3720 | 2044 | 1426 | 1625 | 745 | 387 | 602 | 1399 | 500 | Z416J |
| 2000 | 2325 | 2230 | 2150 | 74 | 270 | 775 | 795 | 745 | 4449 | M45 | 3851 | 2115 | 1486 | 1630 | 750 | 417 | 602 | 1430 | 500 | 9372 |
注:由于产品改进技术创新参数可能有一定变化,公司不另行通知,请咨询公司技术部门索取新数据。
下载:上海江控阀门有限公司-产品样本-SD941X电动伸缩蝶阀.PDF
SD941X电动伸缩蝶阀链接:https://www.jakon.cn/list_4/381.html