一、矩形电动百叶蝶阀 产品概述
上海江控阀门有限公司生产的矩形电动百叶蝶阀蝶阀蝶板采用百叶式多轴结构,流体均匀,电传动,启闭力矩省力均匀,动作灵敏,性能可靠,适合低压、大口径、通风或尾气处理场合使用,与多回传型电动执行器相连接后,可以控制阀门的开关或者调节(输入输出信号4-20mA)管道介质流量大小。
特点:
1、对含尘气体、煤气管道、通风净化装置、烟气管道等作为流量调节和截流用;
2、具有耐磨性好、工作稳定可靠、操作方便;
3、泄漏率小、使用寿命长、安装维修方便;
4、适用于低压差、大口径、大流量场合,
适用场景:
矩形电动百叶蝶阀适合在烟气、粉尘、空气或含有悬浮颗粒的流体及浓浊、浆状流体的调节与控制。
二、矩形电动百叶蝶阀 产品图片
三、矩形电动百叶蝶阀 性能规范
| 公称压力(MPa) | 0.1MPa | 介质温度 | -30℃~-1000℃ |
|---|
| 控制方式 | ON-OFF/4-20mA | 适用介质 | 冷热风、烟气 |
| 介质流速 | 25m/s | 泄漏率 | 1~5% |
四、矩形电动百叶蝶阀 主要零部件材料
| 零件名称 | 阀体 | 阀板 | 阀轴 |
|---|
| 材料 | Q235、304不锈钢、316不锈钢、310S双相不锈钢 | Q235、304不锈钢、316不锈钢、310S双相不锈钢 | 碳钢、不锈钢 |
五、矩形电动百叶蝶阀 多回转电动执行器参数
| 型号 | 公称 转矩 (N.m) | 大控 制转矩 (N.m) | 小控 制转矩 (N.m) | 输出轴 转圈数 (圈) | 允许通过阀杆直径 (mm) | 手动 速比 | 输出转速 (r/min) | 电机功率 (kw) | 重量 (kg) |
|---|
| Z5 | 50 | 75 | ≤25 | 150 | 28 | 1∶1 | 18 | 0.12 | 28 |
| Z10 | 100 | 150 | ≤50 | 160 | 24、36 | 0.25 0.37 | 61 |
| Z15 | 150 | 225 | ≤75 | 0.37 0.55 | 63 |
| Z20 | 200 | 300 | ≤100 | 40 | 0.55 0.75 | 63 |
| 28 |
| Z30 | 300 | 450 | ≤150 | 40 | 24 | 0.75 | 65 |
| 28 |
| Z45 | 450 | 675 | ≤225 | 110 | 48 | 24 | 1.1 | 110 |
| 36 | 1.5 |
| Z60 | 600 | 900 | ≤300 | 24 | 1.5 | 112 |
| 36 | 2.2 |
| Z90 | 900 | 1350 | ≤450 | 60 | 24 | 2.2 | 139 |
| 48 | 36 | 3.0 |
| Z120 | 1200 | 1800 | ≤600 | 60 | 24 | 3.0 | 142 |
| 48 |
| Z180 | 1800 | 2160 | ≤900 | 140 | 70 | 25∶1 | 24 | 4.0 | 261 |
| 36 | 5.5 |
| Z250 | 2500 | 3000 | ≤1250 | 24 | 5.5 | 264 |
| Z350 | 3500 | 4200 | ≤1750 | 75 | 13∶1 | 18 | 7.5 | 430 |
| Z500 | 5000 | 6000 | ≤2500 | 10 | 440 |
| Z800 | 8000 | 9600 | ≤4000 | 120 | 80 | 90∶1 | 12 | 13 | 800 |
| Z1000 | 10000 | 12000 | ≤5000 | 100 | 15 | 820 |
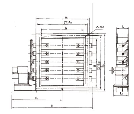
六、矩形电动百叶蝶阀 结构图
七、矩形电动百叶蝶阀 连接尺寸
| AxB | A1 x B1 | A2 x B2 | L | L1 | H1 | H | b | Z-d | X | Y | 轴线 | Wt/Kgs |
|---|
| 320x180 | 375x105 | 400x240 | 180 | 245 | 580 | 735 | 8 | 16-14 | 5 | 3 | 2 | 184 |
| 320x250 | 375x295 | 400x330 | 180 | 245 | 625 | 825 | 8 | 16-14 | 5 | 3 | 2 | 194 |
| 400x200 | 455x255 | 500x330 | 200 | 245 | 610 | 805 | 8 | 16-18 | 5 | 3 | 2 | 215 |
| 400x320 | 455x375 | 500x420 | 200 | 245 | 870 | 915 | 8 | 16-18 | 5 | 3 | 2 | 263 |
| 500x200 | 555x255 | 600x300 | 220 | 245 | 610 | 805 | 8 | 16-18 | 5 | 3 | 3 | 272 |
| 500x400 | 555x455 | 600x500 | 220 | 245 | 670 | 915 | 8 | 20-18 | 5 | 5 | 3 | 292 |
| 630x320 | 685x375 | 730x420 | 220 | 245 | 610 | 805 | 10 | 20-18 | 7 | 3 | 3 | 322 |
| 630x400 | 685x455 | 730x500 | 220 | 245 | 710 | 995 | 10 | 24-18 | 7 | 5 | 3 | 354 |
| 800x400 | 855x455 | 900x500 | 240 | 300 | 670 | 945 | 10 | 24-18 | 7 | 5 | 4 | 443 |
| 800x630 | 855x685 | 900x730 | 240 | 300 | 710 | 995 | 10 | 28-18 | 7 | 7 | 4 | 590 |
| 1000x500 | 1070x570 | 1130x830 | 260 | 300 | 790 | 1075 | 10 | 24-23 | 7 | 5 | 4 | 640 |
| 1000x800 | 1070x870 | 1130x930 | 260 | 300 | 905 | 1270 | 10 | 28-23 | 7 | 7 | 4 | 770 |
| 1250x630 | 1320x700 | 1380x760 | 280 | 300 | 1005 | 1505 | 10 | 32-23 | 9 | 7 | 5 | 790 |
| 1250x1000 | 1320x1070 | 1380x1130 | 280 | 300 | 1105 | 1705 | 10 | 32-23 | 9 | 7 | 5 | 920 |
| 1400x800 | 1470x870 | 1530x930 | 300 | 385 | 1075 | 1575 | 10 | 36-23 | 11 | 7 | 5 | 940 |
| 1400x1250 | 1470x1320 | 1530x1380 | 300 | 385 | 1300 | 2025 | 10 | 40-23 | 11 | 9 | 5 | 1240 |
| 1600x1000 | 1670x1070 | 1730x1130 | 320 | 385 | 1175 | 1775 | 10 | 36-23 | 11 | 7 | 5 | 1540 |
| 1600x1250 | 1670x1320 | 1730x1380 | 320 | 385 | 1300 | 2025 | 10 | 40-23 | 11 | 9 | 5 | 1680 |
| 1800x1250 | 1870x1320 | 1930x1380 | 340 | 420 | 1450 | 2175 | 10 | 44-23 | 13 | 9 | 6 | 1846 |
| 1800x1400 | 1870x1470 | 1930x1530 | 340 | 420 | 1525 | 2325 | 10 | 48-23 | 13 | 11 | 6 | 1953 |
| 2000x1250 | 2070x1320 | 2130x1380 | 360 | 420 | 1450 | 2175 | 10 | 48-23 | 15 | 9 | 6 | 2170 |
| 2000x1800 | 2070x1670 | 2130x1730 | 360 | 420 | 1620 | 2520 | 12 | 52-23 | 15 | 11 | 6 | 2392 |
| 2500x1800 | 2570x1870 | 2630x1730 | 420 | 450 | 1695 | 2595 | 12 | 56-23 | 17 | 11 | 8 | 2740 |
| 2500x2000 | 2570x2070 | 2630x2130 | 420 | 450 | 1895 | 2995 | 12 | 64-23 | 17 | 15 | 8 | 2801 |
| 2800x2500 | 2870x2570 | 2930x2630 | 440 | 450 | 2145 | 3195 | 12 | 72-23 | 19 | 17 | 8 | 3118 |
| 3200x2800 | 3270x2870 | 3330x2930 | 480 | 480 | 2325 | 3825 | 12 | 80-23 | 21 | 19 | 10 | 3535 |
| 3600x3200 | 3670x3270 | 3730x3330 | 520 | 480 | 2525 | 4225 | 12 | 88-23 | 23 | 21 | 10 | 4018 |
| 4000x3600 | 4070x4670 | 4130x4730 | 560 | 480 | 2725 | 4825 | 12 | 100-23 | 27 | 23 | 10 | 4532 |
注:由于产品改进技术创新参数可能有一定变化,公司不另行通知,请咨询公司技术部门索取新数据。
下载:上海江控阀门有限公司-产品样本-矩形电动百叶蝶阀.PDF
矩形电动百叶蝶阀链接:https://www.jakon.cn/list_4/380.html