上海江控阀门有限公司生产的三偏心电动蝶阀是在二偏心蝶阀基础上生产一个角度(密封面为斜锥面),从而形成三偏心蝶阀。三偏心蝶阀一般用在大通径、高压力等场合俩使用,与多回传型电动执行器相连接后,可以控制阀门的开关或者调节(输入输出信号4-20mA)管道介质流量大小。
特点:
1、三偏心蝶阀结构在启闭过程中无机械磨损和擦伤、关闭力矩小。
2、适用范围广、可以选择橡胶密封、聚四氟乙烯密封、金属硬密封等多种密封形式。
3、通径覆盖范围广,可以从DN50 做到 DN2000。
5、三偏心蝶阀比中线蝶阀耐压性能更好,更适合高压场合使用。
适用场景:
三偏心电动蝶阀适用介质:淡水、海水、各种气体、油品、碱、盐、有机化合物及弱酸等。
| 三偏心电动蝶阀 |
| 公称通径 DN(mm) | 50(2") ~ 1000(40") | 50(2") ~ 1000(40") | 50(2") ~ 1000(40") | |
|---|---|---|---|---|
| 公称压力PN(MPa) | 1.0 | 1.6 | 2.5 | |
| 试验压力 | 壳体 | 1.5 | 2.4 | 3.75 |
| 密封 | 1.1 | 1.76 | 2.75 | |
| 适用温度 | -15 ~ +400度 | |||
| 适用介质 | 淡水、污水、海水、空气、蒸汽、食品、药品、各种油类、酸类、盐类等 | |||
| 阀体 | 阀板 | 转轴 | 衬套 | 阀座 | ||||
|---|---|---|---|---|---|---|---|---|
| 材料名称 | 代号 | 材料名称 | 代号 | 材料名称 | 材料名称 | 材料名称 | 代号 | 适用温度 |
灰铸铁 球墨铸铁 铝青铜 不锈钢 CF8M不锈钢 碳钢 | Z Q T P R C | 电镀球墨铸铁 铝青铜 不锈钢 钛钢 CF8M不锈钢 碳钢 | B1 B2 B3 B4 B5 B6 | 不锈钢 碳钢 | 润滑青铜 聚四氟乙烯 | 天然橡胶 海帕伦 乙丙橡胶 氯丁橡胶 丁晴橡胶 耐磨橡胶 氟橡胶 耐热乙丙橡胶 聚四氟乙烯 | X1 X2 X3 X4 X5 X6 X7 X9 F | -20~85度 -20~120度 -20~120度 -7~93度 -20~100度 -10~100度 -20~200度 -20~135度 -20~150度 |
| 型号 | 公称 转矩 (N.m) | 大控 制转矩 (N.m) | 小控 制转矩 (N.m) | 输出轴 转圈数 (圈) | 允许通过阀杆直径 (mm) | 手动 速比 | 输出转速 (r/min) | 电机功率 (kw) | 重量 (kg) |
|---|---|---|---|---|---|---|---|---|---|
| Z5 | 50 | 75 | ≤25 | 150 | 28 | 1∶1 | 18 | 0.12 | 28 |
| Z10 | 100 | 150 | ≤50 | 160 | 24、36 | 0.25 0.37 | 61 | ||
| Z15 | 150 | 225 | ≤75 | 0.37 0.55 | 63 | ||||
| Z20 | 200 | 300 | ≤100 | 40 | 0.55 0.75 | 63 | |||
| 28 | |||||||||
| Z30 | 300 | 450 | ≤150 | 40 | 24 | 0.75 | 65 | ||
| 28 | |||||||||
| Z45 | 450 | 675 | ≤225 | 110 | 48 | 24 | 1.1 | 110 | |
| 36 | 1.5 | ||||||||
| Z60 | 600 | 900 | ≤300 | 24 | 1.5 | 112 | |||
| 36 | 2.2 | ||||||||
| Z90 | 900 | 1350 | ≤450 | 60 | 24 | 2.2 | 139 | ||
| 48 | 36 | 3.0 | |||||||
| Z120 | 1200 | 1800 | ≤600 | 60 | 24 | 3.0 | 142 | ||
| 48 | |||||||||
| Z180 | 1800 | 2160 | ≤900 | 140 | 70 | 25∶1 | 24 | 4.0 | 261 |
| 36 | 5.5 | ||||||||
| Z250 | 2500 | 3000 | ≤1250 | 24 | 5.5 | 264 | |||
| Z350 | 3500 | 4200 | ≤1750 | 75 | 13∶1 | 18 | 7.5 | 430 | |
| Z500 | 5000 | 6000 | ≤2500 | 10 | 440 | ||||
| Z800 | 8000 | 9600 | ≤4000 | 120 | 80 | 90∶1 | 12 | 13 | 800 |
| Z1000 | 10000 | 12000 | ≤5000 | 100 | 15 | 820 |
![]() |
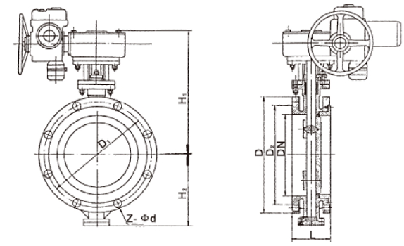
| 公称通径 | 外型尺寸 | 连接尺寸 | |||||||||||||
|---|---|---|---|---|---|---|---|---|---|---|---|---|---|---|---|
| 0.6MPa | 1.0MPa | 1.6MPa | |||||||||||||
| DN | L | H1 | H2 | D | D1 | D2 | Z-Фd | D | D1 | D2 | Z-Фd | D | D1 | D2 | Z-Фd |
| 100 | 127 | 285 | 105 | 210 | 170 | 144 | 4-18 | 220 | 180 | 156 | 8-18 | 220 | 180 | 156 | 8-18 |
| 125 | 140 | 300 | 125 | 240 | 200 | 174 | 8-18 | 250 | 210 | 164 | 8-18 | 2S0 | 210 | 184 | 8-18 |
| 150 | 140 | 320 | 140 | 265 | 22S | 199 | 8-18 | 285 | 240 | 211 | 8-22 | 285 | 240 | 211 | 8-22 |
| 200 | 152 | 370 | 180 | 320 | 280 | 254 | 8-18 | 340 | 295 | 266 | 8-22 | 340 | 295 | 266 | 12-22 |
| 250 | 165 | 420 | 200 | 375 | 335 | 309 | 12-18 | 395 | 350 | 319 | 12-22 | 405 | 355 | 319 | 12-26 |
| 300 | 178 | 500 | 250 | 440 | 395 | 363 | 12-22 | 445 | 400 | 370 | 12-22 | 460 | 410 | 370 | 12-26 |
| 350 | 190 | 530 | 270 | 490 | 445 | 413 | 12-22 | SOS | 460 | 429 | 16-22 | 520 | 470 | 429 | 16-26 |
| 400 | 216 | 570 | 300 | 540 | 495 | 463 | 16-22 | 565 | 515 | 480 | 16-26 | 580 | 525 | 480 | 16-22 |
| 450 | 222 | 600 | 320 | 595 | 550 | 518 | 16-22 | 615 | 565 | 530 | 20-26 | 640 | 585 | &48 | 16-30 |
| 500 | 229 | 680 | 360 | 645 | 600 | 566 | 20-22 | 670 | 620 | 562 | 20-26 | 715 | 650 | 609 | 20-33 |
| 600 | 267 | 750 | 420 | 755 | 705 | 667 | 20-26 | 780 | 725 | 682 | 20-30 | 840 | 770 | 720 | 20-36 |
| 700 | 292 | 610 | 460 | 860 | 810 | 772 | 24-26 | 895 | 840 | 794 | 24-30 | 910 | 640 | 794 | 24-36 |
| 800 | 318 | 905 | 540 | 975 | 920 | 878 | 24-30 | 1015 | 950 | 901 | 24-33 | 1025 | 950 | 901 | 24-39 |
| 900 | 330 | 960 | 590 | 1075 | 1020 | 978 | 24-30 | 1115 | 1050 | 1001 | 28-33 | 1125 | 1050 | 1001 | 28-39 |
| 1000 | 410 | 1010 | 640 | 1175 | 1120 | 1078 | 28-30 | 1230 | 1160 | 1112 | 28-36 | 1255 | 1170 | 1112 | 28-42 |
| 1200 | 470 | 1175 | 750 | 1405 | 1340 | 1295 | 32-33 | 1455 | 1380 | 1328 | 32-39 | 146S | 1390 | 1328 | 32-48 |
| 1400 | 530 | 1310 | 860 | 1630 | 1560 | 1510 | 36-36 | 1675 | 1590 | 1530 | 36-42 | 1685 | 1590 | 1530 | 36-48 |
| 1600 | 600 | 1460 | 980 | 1830 | 1760 | 1710 | 40-36 | 1915 | 1820 | 1750 | 40-68 | 1930 | 1820 | 1750 | 40-55 |
| 1800 | 670 | 1560 | 1090 | 2045 | 1970 | 1918 | 44-39 | 2115 | 2020 | 1950 | 44-48 | 2130 | 2020 | 1950 | 44-55 |
| 2000 | 760 | 1670 | 1190 | 2265 | 2180 | 2125 | 48-32 | 2325 | 2230 | 2150 | 48-48 | 2345 | 2230 | 2150 | 48-60 |
注:由于产品改进技术创新参数可能有一定变化,公司不另行通知,请咨询公司技术部门索取新数据。
下载:上海江控阀门有限公司-产品样本-三偏心电动蝶阀.PDF
三偏心电动蝶阀链接:https://www.jakon.cn/list_4/375.html