一、气动四通球阀 产品概述
上海川沪阀门有限公司生产的气动四通球阀,是由角行程气动执行机构和四通球阀阀体组成。
特点:
1、流体阻力小:球体和阀体的连接管道截面相等,且球体通道采用圆弧连接,介质通过球体时,流体阻力小。
2、密封性能: 阀座采用具有一定弹性变形和高强度的PTFE材料,达到良好密封性能保证了阀门的稳定性。
3、使用寿命长:阀门的阀芯和光颈材料采用奥氏不锈钢,阀座材料选用PTFE,能达到良好的抗腐蚀性作用,延长了阀门使用寿命。
适用场景:
气动四通法兰球阀适用于各种轻重工业及楼宇管道.广泛应用于:化工、石化、石油、造纸、采矿、电力、液化气、食品、制药、给排水、市政、机械设备配套、电子工业,城建等领域。
二、气动四通球阀 产品图片
三、气动四通球阀 零部件材料
| 阀体/阀盖 | GB | WCB | ZGlCrl8Ni9Ti | ZGOCfl8Nil2M02Ti |
|---|
| ASTM | WCB | CF8 | CF8M |
|---|
| 球体 | GB | 2Crl3 | 1Cfl8Ni9Ti | 0Cfl8Ni12M02Ti |
|---|
| ASTM | 420 | 304 | 316 |
|---|
| 阀杆 | GB | 2Crl3 | 1Crl8Ni9Ti | 0Crl8Ni12M02Ti |
|---|
| ASTM | 420 | 304 | 316 |
|---|
| 阀座 | GB | 聚四氟乙烯 | 对位聚苯 | 聚四氟乙烯 | 对位聚苯 | 聚四氟乙烯 | 对位聚苯 |
|---|
| ASTM | 聚四氟乙烯 | 对位聚苯 | 聚四氟乙烯 | 对位聚苯 | 聚四氟乙烯 | 对位聚苯 |
|---|
| 填料 | GB | 聚四氟乙烯 | 柔性石墨 | 聚四氟乙烯 | 柔性石墨 | 聚四氟乙烯 | 柔性石墨 |
|---|
| ASTM | 聚四氟乙烯 | 柔性石墨 | 聚四氟乙烯 | 柔性石墨 | 聚四氟乙烯 | 柔性石墨 |
|---|
| 螺栓 | GB | 35 | 0Crl8Ni9 | 0Crl8Ni9 |
|---|
| ASTM | A193B7 | A320-B8 | A320-B8 |
|---|
| 螺母 | GB | 45 | 0Cfl8Ni9 | 0Crl8Ni9 |
|---|
| ASTM | A1942H | A194-8 | A194-8 |
|---|
四、气动四通球阀 技术参数
| 阀体形式 | 四通铸造阀体 |
|---|
| 公称通径 | DN50~600mm |
|---|
| 公称压力 | PN1.6、2.5、4.0 MPa;ANSI 150、300LB ;JIS 10、20、30K |
|---|
| 法兰标准 | JB/T79.2-1994、 ASME/ANSI B165 |
|---|
| 连接形式 | 法兰式 |
|---|
| 压盖型式 | 压盖压紧式 |
|---|
| 密封填料 | V型聚四氟乙烯填料、柔性石墨填料等 |
|---|
| 设计和制造 | GB/T12237-1989; APl608 |
|---|
| 检验和试验 | GB/T13927-1992; APl 598 |
|---|
| 执行器型号 | GT、AT、AR、AW系列单双作用气动执行器 |
|---|
五、气动四通球阀 执行器参数
| 执行器型号 | GT、AT、AR、AW系列单双作用气动执行器 |
|---|
| 供气压力 | 0.4~0.7MPa |
| 气源接口 | G1/4"、G1/8"、G3/8"、G1/2" |
| 环境温度 | -30~+70℃ |
| 作用形式 | 单作用执行机构:气关式(B)--失气时阀位开(FO);气开式(K)--失气时阀位关(FC) 双作用执行机构:气关式(B)--失气时阀位保持(FL);气开式(K)-- 失气时阀位保持(FL) |
| 可配附件 | 定位器、电磁阀、空气过滤减压器、保位阀、行程开关、阀位传送器、手轮机构等 |
六、气动四通球阀 性能规范
| 公称压力(MPa) | 常温大工作压力(MPa) | 壳体试验压力(MPa) | 气密封试验压力(MPa) | 高压密封试验压力(MPa) |
|---|
| PN1.6 | 1.6 | 2.4 | 0.6 | 1.76 |
|---|
| PN2.5 | 2.5 | 3.8 | 0.6 | 2.75 |
|---|
| PN4.0 | 4.0 | 6.0 | 0.6 | 4.4 |
|---|
| l50LB | 2.0 | 3.0 | 0.6 | 2.2 |
|---|
七、气动四通球阀 流向原理图
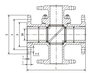
八、气动四通球阀 结构图
九、气动四通球阀 连接尺寸
| DN | L | D | K | R | C | f | n-d |
|---|
| 15 | 150 | 95 | 65 | 45 | 14 | 2 | 4-14 |
| 20 | 164 | 105 | 75 | 55 | 16 | 2 | 4-14 |
| 25 | 180 | 115 | 85 | 65 | 16 | 2 | 4-14 |
| 32 | 200 | 135 | 100 | 78 | 18 | 2 | 4-18 |
| 40 | 220 | 145 | 110 | 85 | 18 | 3 | 4-18 |
| 50 | 240 | 160 | 125 | 100 | 20 | 3 | 4-18 |
| 65 | 260 | 180 | 145 | 120 | 20 | 3 | 4-18 |
| 80 | 280 | 195 | 160 | 135 | 20 | 3 | 8-18 |
| 100 | 320 | 215 | 180 | 155 | 22 | 3 | 8-18 |
| 125 | 380 | 245 | 210 | 185 | 22 | 3 | 8-18 |
| 150 | 440 | 28 | 240 | 210 | 24 | 3 | 8-23 |
| 200 | 550 | 335 | 295 | 265 | 24 | 3 | 12-23 |
| 250 | 670 | 405 | 355 | 320 | 30 | 3 | 12-25 |
| 300 | 850 | 460 | 410 | 375 | 30 | 4 | 12-25 |
注:由于产品改进技术创新参数可能有一定变化,公司不另行通知,请咨询公司技术部门索取新数据。
下载:上海江控阀门有限公司-产品样本-气动四通球阀.PDF
气动四通球阀链接:https://www.jakon.cn/list_3/427.html