上海川沪阀门有限公司生产的气动对夹保温球阀主要应用于化工、石油、制药、冶金等行业的系统管路中,主要作用是输送在常温状态下会凝固、易结晶的介质。具有结构紧凑、体积小、重量轻、密封性能好、启闭灵活、安装方便等特点。保温夹套球阀具有良好的保温保冷特性,且阀门的通径与管径一致,同时又能有效降低管路中介质热量损失。其中和气动执行机构组合后,能实现快速开闭(配电磁阀和限位开关)或调节流量大小(配阀门定位器)。
型号:CHBQ671F、CHBQ671PPL
特点:
1.采用整体式结构,比一般球阀体积更小,重量更轻,密封性能更优,且无外漏。
2.夹套采用碳素钢管焊接,比铸造的更加牢固。
3.采用直连方式,具有连线简单,结构紧凑,动作稳定。
适用场景:
气动对夹保温球阀适用于石油、化工、制药、食品等各类系统中,以输送常温下会凝固的高粘度介质。
| 气动对夹保温球阀 |
| 主要零件材料 | 阀体 | WCB | ZGlCr18Ni9Ti | CF8(304) | CF8(304L) | ZG1Cr18Ni12Mo2Ti | CF8M(316) | CF8M(316L) |
|---|---|---|---|---|---|---|---|---|
| 球体、阀杆 | 2Crl3 | lCr18Ni9Ti | 0Cr18Ni9(304) | 0Cr18Ni9(304L) | 1Cr18Ni2Mo2(316) | 0Cr17Ni2Mo2(316) | 0Cr17Ni2Mo2(316L) | |
| 密封圈 | 聚四氟乙烯 对位聚苯 | |||||||
| 填料、垫圈 | V型聚四氟乙烯 柔性石墨环 聚四氟乙烯片 柔性石墨复合垫 | |||||||
| 适用工况 | 适用介质 | 重油、胶类等 | 硝酸腐蚀性介质 | 强氧化性介质 | 醋酸等腐蚀性介质 | 尿素等腐蚀性介质 | ||
| 适用温度 | -28-300℃ | |||||||
| 配管法兰 | JB79-59、GB9113、SH3406 ANSI B16.5 JIS B2212 | |||||||
| 公称通径DN(mm) | 15 | 20 | 25 | 32 | 40 | 50 | 65 | 80 | 100 | 125 | 150 | 200 |
|---|---|---|---|---|---|---|---|---|---|---|---|---|
| 额定流量系数KV | 21 | 38 | 72 | 112 | 170 | 273 | 384 | 512 | 940 | 1452 | 2222 | 3589 |
| 公称压力(MPa) | PN1.6、2.5、4.0、6.4 MPa;ANSI 150、300LB | |||||||||||
| 阀体形式 | 法兰式:分体式铸造球阀;对夹式:整体式铸造阀体 | |||||||||||
| 连接形式 | 法兰式、对夹式 | |||||||||||
| 阀芯形式 | "O"型球形阀芯 | |||||||||||
| 泄露量Q | 按GB/T4213-92,小于额定KV0.01% (软密封:零泄露) | |||||||||||
| 可调范围 | 250:1 | 350:1 | ||||||||||
| 配置执行机构 | 可配AT、AW系列单双作用气动执行器 | |||||||||||
| 控制方式 | 开关两位控制、4-20mA模拟量控制 | |||||||||||
| 执行器型号 | GT、AT、AR、AW系列单双作用气动执行器 |
|---|---|
| 供气压力 | 0.4~0.7MPa |
| 气源接口 | G1/4"、G1/8"、G3/8"、G1/2" |
| 环境温度 | -30~+70℃ |
| 作用形式 | 单作用执行机构:气关式(B)--失气时阀位开(FO);气开式(K)--失气时阀位关(FC) |
| 设计标准 | ASME B 16.34 GB/T12224 |
|---|---|
| 结构长度 | ASME B 16.10 GB/T12221 |
| 连接法兰 | ASME B 16.5、JB/T 79 |
| 试验和检验 | JB/T9092 API 598 |
| 适用介质 | 重油、胶类等易凝固介质 |
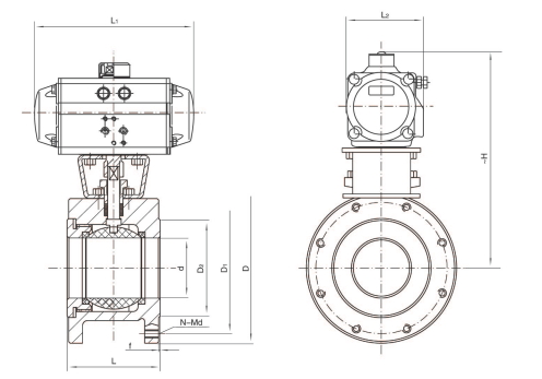
![]() |
| 公称通径 Nominal diameter DN | 外形尺寸 Outline Size | 连接法兰尺寸 Connecting Flange Size | 执行器型号 Actuator Model | |||||||||
|---|---|---|---|---|---|---|---|---|---|---|---|---|
| d | L | L1 | L2 | ~H | D | D1 | D2 | B | f | N-Md | ||
| 15 | 15 | 32 | 141/159 | 71/83 | 177/208 | 95 | 65 | 46 | 14 | 2 | 4-M12 | AT050D/AT063S |
| 20 | 20 | 38.5 | 141/159 | 71/83 | 182/213 | 105 | 75 | 56 | 14 | 2 | 4-M12 | AT050D/AT063S |
| 25 | 25 | 45 | 141/211 | 71/95 | 187/230 | 115 | 85 | 65 | 16 | 2 | 4-M12 | AT050D/AT075S |
| 32 | 29 | 55 | 159/211 | 83/95 | 223/243 | 140 | 100 | 76 | 16 | 3 | 4-M16 | AT063D/AT075S |
| 40 | 38 | 62 | 211/248 | 95/107 | 231/261 | 150 | 110 | 84 | 18 | 3 | 4-M16 | AT075D/AT088S |
| 50 | 46 | 72 | 248/269 | 107/123 | 258/293 | 165 | 125 | 99 | 20 | 3 | 4-M16 | AT088D/AT100S |
| 65 | 62 | 95 | 248/315 | 107/141 | 273/298 | 185 | 145 | 118 | 22 | 3 | 4-M16 | AT088D/AT115S |
| 80 | 76 | 120 | 269/345 | 123/152 | 303/325 | 200 | 160 | 132 | 24 | 3 | 8-M16 | AT100D/AT125S |
| 100 | 92 | 145 | 345/409 | 152/172 | 333/390 | 220 | 180 | 156 | 24 | 3 | 8-M16 | AT125D/AT145S |
| 125 | 110 | 200 | 409/438 | 172/187 | 380/468 | 250 | 210 | 184 | 26 | 3 | 8-M16 | AT145D/AT160S |
| 150 | 145 | 225 | 438/550 | 187/215 | 432/520 | 285 | 240 | 211 | 26 | 3 | 8-M20 | AT160D/AT190S |
注:由于产品改进技术创新参数可能有一定变化,公司不另行通知,请咨询公司技术部门索取新数据。
下载:上海江控阀门有限公司-产品样本-气动对夹保温球阀.PDF
气动对夹保温球阀链接:https://www.jakon.cn/list_3/434.html