上海江控阀门有限公司生产的气动卫生级蝶阀,有外螺纹连接、焊接、卡箍连接三种连接方式,方便客户的现场安装,其中气动执行器选配电磁阀实现对管道介质开关控制,选配阀门定位器实现对管道介质流量大小的调节。
气动卫生级焊接蝶阀特点:
1.体积小、重量轻、操作轻巧、便于安装、维修。
2、密封性能优良可靠、零泄漏,使用寿命长。
3、流量特性趋于直线,调节性能优。
4、结构简单,开关迅速,90°旋转启闭。
5、可代替隔膜阀和球阀各种阀门的使用。
6、可根据用户要求配置气动、电动装置,满足遥控和程控的需要。
适用场景:
气动卫生级焊接蝶阀广泛应用于如食品、制药、化妆品、洁净蒸汽、酒类、饮料、生化工业过程控制场合。
| 气动卫生级焊接蝶阀 | 手动卫生级焊接蝶阀 |
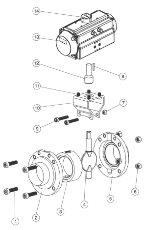
![]() | 序号 No. | 零件名称 Nameofparts | 材质Material |
| 1 | 螺栓 Screw | 不锈钢304StainlessSteel304 | |
| 2 | 左阀体 LeftValve | 不锈钢304.304L.316.316L StainlessStee1304.304L.316.316L | |
| 3 | 阀座 Seat | 食品级橡胶Foodgraderubber | |
| 4 | 蝶板 ButterflyPlate | 不锈铜304.304L.316.316L StainlessSteel304.304L.316.316L | |
| 5 | 右阀体 RightValve | 不锈钢304.304L.316.316L StainlessSteel304.304L.316.316L | |
| 6 | 螺母 Nut | 不锈钢304 StainlessSteel304 | |
| 7 | 螺母 Nut | 不锈钢304 StainlessSteel304 | |
| 8 | 键 Key | 不锈钢304 StainlessSteel304 | |
| 9 | 螺栓 Screw | 不锈钢304 StainlessSteel304 | |
| 10 | 连接支架 ConnectingYoke | 不锈钢304 StainlessSteel304 | |
| 11 | 螺栓 Screw | 不锈钢304 StainlessSteel304 | |
| 12 | 连接套 Connectionset | 不锈钢304 StainlessSteel304 | |
| 13 | 气动装置 PneumaticDevice | AT系列气动执行器 ATPneumaticactuatorSeries | |
| 14 | 位置指示器 LocationIndicator | 塑料Plastic |
| 型号 | CHD661X |
|---|---|
| 公称通径 | DN20~DN100 |
| 公称压力 | 1.0MPa |
| 连接形式 | 焊接 |
| 密封材料 | 食用级橡胶 |
| 阀体材质 | 304、316、316L不锈钢 |
| 控制方式 | 开关型或调节型 |
| 执行器型号 | GT系列、SR系列.AT系列、AW系列、TH(QGSY)系列单双作用气动执行器 |
| 供气压力 | 400700KPa |
| 气源接口 | Gl/4 Gl/8 G3/8V Gl/2" |
| 环境温度 | -30~+70oC |
| 作用形式 | 单作用执行机构:气关式(B)--失气时阀位开(FO):气开式(K)--失气时阀位关(FC) |
| 双作用执行机构:气关式(B)--失气时阀位保持(FL):气开式(K)--失气时阀位保持(FL) | |
| 可配附件 | 定位器、电磁阀、空气过滤减压器、保位阀.行程幵关、阀位传送器.手轮机构等 |
| 执行器型号 | GT、AT、AR、AW系列单双作用气动执行器 |
|---|---|
| 供气压力 | 0.4~0.7MPa |
| 气源接口 | G1/4"、G1/8"、G3/8"、G1/2" |
| 环境温度 | -30~+70℃ |
| 作用形式 | 单作用执行机构:气关式(B)--失气时阀位开(FO);气开式(K)--失气时阀位关(FC) |
![]() |
| 规格 | 外螺纹连接 | 三片式焊接 | 卡箍连接 | 焊接 | Lo | —H | 执行器型号 Actuator Model | ||||||||
|---|---|---|---|---|---|---|---|---|---|---|---|---|---|---|---|
| ISO | L1 | D | M | L2 | D | D | L3 | D | d | L4 | D | d | |||
| 20 | 100 | 78 | 19.05 | 66 | 78 | 50.5 | 66 | 78 | 19.05 | 141/1 41 | 157/557 | AT050D/AT050S | |||
| 25 | 66 | 78 | 40xl/6 | 100 | 78 | 25.4 | 66 | 78 | 50.5 | 66 | 78 | 25.4 | 141/1 41 | 157/557 | AT050D/AT050S |
| 32 | 66 | 78 | 48xl/6 | 100 | 78 | 31.8 | 66 | 78 | 50.5 | 66 | 78 | 31.8 | 141/141 | 157/557 | AT050D/AT050S |
| 38 | 70 | 86 | 60xl/6 | 100 | 86 | 38.1 | 70 | 86 | 50.58 | 70 | 86 | 38.1 | 141/141 | 157/557 | AT050D/AT050S |
| 51 | 76 | 102 | 70xl/6 | 104 | 102 | 50.8 | 76 | 102 | 64 | 76 | 102 | 50 8 | 141/159 | 171/180 | AT050D/AT063S |
| 63 | 80 | 115 | 85xl/6 | 112 | 115 | 63.5 | 80 | 115 | 77.5 | 80 | 115 | 63.5 | 141/159 | 169/169 | AT063D/AT063S |
| 76 | 84 | 128 | 98xl/6 | 112 | 128 | 76.1 | 84 | 128 | 91 | 84 | 128 | 76.1 | 15 9/211 | 194/208 | AT063D/AT075S |
| 89 | 120 | 139 | 88.9 | 90 | 139 | 106 | 90 | 139 | 88.9 | 159/248 | 200/224 | AT063D/AT088S | |||
| 102 | 104 | 159 | 132xl/6 | 128 | 155 | 101.6 | 102 | 155 | 119 | 102 | 155 | 101.6 | 211/248 | 220/242 | AT075D/AT088S |
| 108 | 128 | 159 | 108 | 108 | 159 | 119 | 108 | 159 | 108 | 211/269 | 223/245 | AT075D/AT100S | |||
注:由于产品改进技术创新参数可能有一定变化,公司不另行通知,请咨询公司技术部门索取新数据。
下载:上海江控阀门有限公司-产品样本-气动卫生级焊接蝶阀.PDF
气动卫生级焊接蝶阀链接:https://www.jakon.cn/list_5/368.html