一、气动四氟蝶阀 产品概述
上海江控阀门有限公司生产的气动四氟蝶阀,气动四氟蝶阀耐温比气动衬胶蝶阀高,适合在150度介质温度以下来使用,在脱硫脱硝系统中被广泛的应用,具有很强的抗腐蚀性能,阀体材质采用铸钢或者不锈钢,阀板可以用不锈钢、双相不锈钢或者碳钢衬聚四氟乙烯等材质,性价比高、种类齐全,气动四氟蝶阀可以选配电磁阀作为开关控制、选配阀门定位器来实现对管道介质流量大小的调节。
特点:
1、设计新颖、合理、结构独特,重量轻,启闭迅速。
2、密封件可以更换,密封性能可靠达到双向密封零泄漏。
3、密封材料耐老化、耐腐蚀,使用寿命长等特点。
4、两截式阀杆无销连接,结构简单紧凑,维修方便。
5、阀座密封与靠背一体结构,减少阀座变形量。
6、阀杆轴向定位装置,增强密封性、减少阀门扭矩。
7、可以任何位置安装,维修方便。
适用场景:
气动四氟蝶阀广泛应用于化工、建材、电站、玻璃等行业中的通风、环保工程的含尘冷风或热风气体管道中,作为气体介质调节流量或切断装置。
二、气动四氟蝶阀 产品图片
 |  |
| 气动四氟蝶阀(带手动) | 气动四氟蝶阀 |
三、气动四氟蝶阀 零部件材料
| 零件名称 | 材料名称 |
|---|
| 阀体 | 铸铁、铸钢、不锈钢、铬钼钢、合金钢 |
| 蝶板 | 铸钢、合金钢(镀硬铬)、不锈钢、铬钼钢 |
| 密封圈 | 橡胶、PTFE、PPL、不锈钢、聚内脂、抗磨材料 |
| 阀杆 | 2Cr13、1Cr13不锈钢、铬钼钢 |
| 填料 | 聚四氟乙烯、柔性石墨 |
四、气动四氟蝶阀 技术参数
| 阀体形式 | 直通铸造蝶阀 |
|---|
| 公称通径 | DN50~1200mm |
|---|
| 公称压力 | PN1.0、1.6、2.5MPa |
|---|
| 法兰标准 | JIS B220、JB/T79、ANSI B16.5-1981、GB/T9113、HG20594-97、HG20618-97等 |
|---|
| 连接形式 | 对夹式 |
|---|
| 阀盖形式 | 一体式 |
|---|
| 压盖型式 | 压盖压紧式 |
|---|
| 密封填料 | V型聚四氟乙烯填料、柔性石墨填料 |
|---|
五、气动四氟蝶阀 执行器参数
| 执行器型号 | GT、AT、AR、AW系列单双作用气动执行器 |
|---|
| 供气压力 | 0.4~0.7MPa |
| 气源接口 | G1/4"、G1/8"、G3/8"、G1/2" |
| 环境温度 | -30~+70℃ |
| 作用形式 | 单作用执行机构:气关式(B)--失气时阀位开(FO);气开式(K)--失气时阀位关(FC) 双作用执行机构:气关式(B)--失气时阀位保持(FL);气开式(K)-- 失气时阀位保持(FL) |
六、气动四氟蝶阀 性能规范
| 公称通径DN(mm) | DN50~1200 |
|---|
| 公称压力 | PN(MPa) | 0.6 | 1.0 | 1.6 | 2.5 |
| 试验压力 | 强度试验 | 0.9 | 1.5 | 2.4 | 3.75 |
| 密封试验 | 0.66 | 1.1 | 1.76 | 2.75 |
| 低压气密试验 | 0.5~0.7 |
| 适用介质 | 水、油(温度≤90℃)、蒸气、硝酸类(温度≤200℃)、醋酸类(温度≤200℃) |
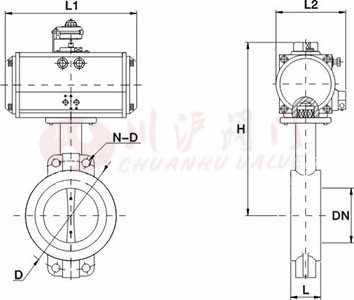
七、气动四氟蝶阀 结构图
八、气动四氟蝶阀 连接尺寸
| PN1.0~1.6MPa |
|---|
公称 通径 DN | 外型尺寸mm | 外型连接尺寸 | 执行器型号 |
|---|
| L | L1 | L2 | H | D | N-D |
|---|
| 50 | 42 | 141/159 | 71/83 | 269/281 | 120 | 4-23 | AT-D-52/AT-S-63 |
| 65 | 44.7 | 159/211 | 83/95 | 283/303 | 136.2 | 4-26.5 | AT-D-63/AT-S-75 |
| 80 | 45.2 | 159/248 | 83/107 | 289/309 | 160 | 8-18 | AT-D-63/AT-S-88 |
| 100 | 52.1 | 211/269 | 95/123 | 320/338 | 185 | 4-24.5 | AT-D-75/AT-S-100 |
| 125 | 54.4 | 248/269 | 107/123 | 351/366 | 215 | 4-23 | AT-D-88/AT-S-100 |
| 150 | 55.8 | 269/345 | 123/152 | 380/405 | 238 | 4-25 | AT-D-100/AT-S-125 |
| 200 | 60.6 | 345/409 | 152/172 | 435/477 | 295 | 4-29 | AT-D-125/AT-S-145 |
| 250 | 65.6 | 409/438 | 172/187 | 509/552 | 357 | 4-29 | AT-D-145/AT-S-160 |
| 300 | 76.5 | 438/550 | 187/215 | 597/622 | 407 | 4-30 | AT-D-160/AT-S-190 |
| 350 | 76.5 | 550/600 | 215/240 | 653/688 | 467 | 4-30 | AT-D-190/AT-S-210 |
| 400 | 86.5 | 550/633 | 215/262 | 720/787 | 515 | 4-30 | AT-D-190/AT-S-240 |
| 450 | 105.6 | 600/633 | 240/262 | 772/858 | 565 | 4-30 | AT-D-210/AT-S-240 |
| 500 | 131.8 | 633/730 | 262/330 | 867/1004 | 620 | 4-33 | AT-D-240/AT-S-270 |
| 600 | 152 | 730/1700 | 330/- | 998/1220 | 725 | 4-36 | AT-D-270/AW-S-25 |
| 700 | 163 | 1320/1970 | - | 1116/1282 | 840 | 4-36 | AW-D-25/AW-S-28 |
| 800 | 188 | 1430/2700 | - | 1330/1007 | 950 | 4-39 | AW-D-28/AW-S-35 |
注:由于产品改进技术创新参数可能有一定变化,公司不另行通知,请咨询公司技术部门索取新数据。
下载:上海江控阀门有限公司-产品样本-气动四氟蝶阀.PDF
气动四氟蝶阀链接:https://www.jakon.cn/list_5/365.html