程控阀属于强制密封式阀门,气动阀门关闭时,必须向阀瓣施加压力,以强制密封面不泄漏。当介质由阀瓣下方进入阀瓣时,操作力所需要克服的阻力,是阀杆和填料的磨擦力与由介质的压力所产生的推力,关阀门的力比开阀门的力大,所以阀杆的直径要大,否则会发生阀杆顶弯的故障。截止阀的介质流向就改由阀瓣上方进入阀腔,在介质压力作用下,关阀门的力小,而开阀门的力大,阀杆的直径可以相应地减少。同时,在介质作用下,这种形式的阀门也较严密。
特点:
1、选材考究,符合国内、外相关标准,结构合理,造型美观。
2、阀瓣、阀座密封面采用铁基合金堆焊或司太立(Stellite)钴基硬质合金堆焊而成,耐磨、耐高温、耐腐蚀、抗擦伤性能好,使用寿命长。 4、阀杆经调质及表面氮化处理,有良好的抗腐蚀性和抗擦伤性。
5、可采用各种配管法兰标准及法兰密封面型式,满足各种工程需要及用户要求。
6、阀体材料品种齐全,填料、垫片可根据实际工况或用户要求合理选配,能适用于各种压力、温度及介质工况。
7、倒密封采用螺纹连接密封座或本体堆焊奥氏体不锈钢而成,密封可靠,更换填料可在不停机情况下进行,方便快捷,不影响系统运行。
| 程控阀(气动程控阀) | 程控阀(气动程控阀) |
| 阀体 | 阀盖 | 阀瓣 | 密封圈 | 阀杆 | 填料 | 适用介质 | 适用温度 (≤℃) |
|---|---|---|---|---|---|---|---|
| WCB | WCB+D507MO | D577 | 2Crl3 | 柔性石墨 | 水、油品、蒸汽 | 425 | |
| ZGlCrl8Ni9Ti | 0Crl8Ni9Ti Stellite12 | Stellite6 | lCrl8Ni9Ti | PTFE | 硝酸类 | 200 | |
| ZGlCrl8Ni2Mo2Ti | CF8M Stellite12 | lCrl8Ni2Mo2Ti | lCrl8Ni2Mo2Ti | PTFE | 磷酸类、 碱类、混酸 | 200 | |
| ZG00Crl7Nil4M02 | CF3M Stellite12 | Stel1ite6 | 316L | PTFE | 磷酸类、 尿素、甲铵液 | 200 | |
| ZGlCr5MO | ZGlCr5MO Stellite12 | Stel1ite6 | 25Cr2Mo1VA | 柔性石墨 | 水、油品、蒸汽 | 550 | |
| 设计与制造 | GB/T1223 | |
|---|---|---|
| 连接端尺寸 | 结构长度 | GB/T12221 |
| 法兰尺寸 | JB/T79 | |
| 检验与试验 | JB/T9092 | |
| 材 料 | 碳钢 | GB/T12229 |
| 不锈钢 | GB/T12230 | |
| 合金钢 | Q/ZB6 | |
| 标 志 | GB/T12220 | |
| 供 货 | JB/T7928 | |
| 执行器型号 | ZS系列单双作用气动执行器 |
|---|---|
| 供气压力 | 0.4~0.7MPa |
| 气源接口 | G1/4"、G1/8"、G3/8"、G1/2" |
| 环境温度 | -30~+70℃ |
| 作用形式 | 单作用执行机构:气关式(B)--失气时阀位开(FO);气开式(K)--失气时阀位关(FC) |
| 公称通径 | DN(mm) | 50~1000 | ||
|---|---|---|---|---|
| 公称压力 | PN(MPa) | 0.6 | 1.0 | 1.6 |
| 试验压力 | 强度试验 | 0.9 | 1.5 | 2.4 |
| 密封试验 | 0.66 | 1.1 | 1.76 | |
| 气密封试验 | 0.6 | 0.6 | 0.6 | |
| 适用介质 | 空气、水、污水、蒸气、煤气、油品等。 | |||
| 驱动形式 | 气动传动 | |||
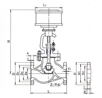
![]() |
| 公称压力PN(MPa) | 公称通径DN(mm) | 标准值 | 参考值 | |||||||||
|---|---|---|---|---|---|---|---|---|---|---|---|---|
| L | D | D1 | n2 | D6 | b | f | f1 | Z-φd | L1 | H | ||
| 1.6 | 50 | 230 | 160 | 125 | 100 | / | 16 | 3 | / | 4-φ18 | 185 | 645 |
| 65 | 290 | 180 | 145 | 120 | / | 18 | 3 | / | 4-φ18 | 232 | 690 | |
| 80 | 310 | 195 | 160 | 135 | / | 20 | 3 | / | 8-φ18 | 232 | 715 | |
| 100 | 350 | 215 | 180 | 155 | / | 20 | 3 | / | 8-φ18 | 232 | 770 | |
| 125 | 400 | 254 | 210 | 185 | / | 22 | 3 | / | 8-φ18 | 283 | 780 | |
| 150 | 480 | 280 | 240 | 210 | / | 24 | 3 | / | 8-φ23 | 283 | 810 | |
| 200 | 600 | 335 | 295 | 265 | / | 26 | 3 | / | 12-φ23 | 283 | 967 | |
| 250 | 622 | 405 | 355 | 320 | / | 30 | 3 | / | 12-φ25 | 283 | 1143 | |
| 300 | 698 | 460 | 410 | 375 | / | 30 | 4 | / | 12-φ25 | 283 | 1292 | |
| 2.5 | 50 | 230 | 160 | 125 | 100 | / | 20 | 3 | / | 4-φ18 | 185 | 645 |
| 65 | 290 | 180 | 145 | 120 | / | 22 | 3 | / | 8-φ18 | 232 | 690 | |
| 80 | 310 | 195 | 160 | 135 | / | 22 | 3 | / | 8-φ18 | 232 | 715 | |
| 100 | 350 | 230 | 190 | 160 | / | 24 | 3 | / | 8-φ23 | 232 | 770 | |
| 125 | 400 | 270 | 220 | 188 | / | 28 | 3 | / | 8-φ25 | 283 | 780 | |
| 150 | 480 | 300 | 250 | 218 | / | 30 | 3 | / | 8-φ25 | 283 | 810 | |
| 200 | 600 | 360 | 310 | 278 | / | 34 | 3 | / | 12-φ25 | 283 | 967 | |
| 250 | 622 | 425 | 370 | 332 | / | 36 | 3 | / | 12-φ30 | 283 | 1143 | |
| 300 | 698 | 485 | 430 | 390 | / | 40 | 4 | / | 16-φ30 | 283 | 1292 | |
| 4.0 | 50 | 230 | 160 | 125 | 100 | 88 | 20 | 3 | 4 | 4-φ18 | 185 | 645 |
| 65 | 290 | 180 | 145 | 120 | 110 | 22 | 3 | 4 | 8-φ18 | 232 | 690 | |
| 80 | 310 | 195 | 160 | 135 | 121 | 22 | 3 | 4 | 8-φ18 | 232 | 715 | |
| 100 | 350 | 230 | 190 | 160 | 150 | 24 | 3 | 4.5 | 8-φ23 | 232 | 770 | |
| 125 | 400 | 270 | 220 | 188 | 176 | 28 | 3 | 4.5 | 8-φ25 | 283 | 782 | |
| 150 | 480 | 300 | 250 | 218 | 204 | 30 | 3 | 4.5 | 8-φ25 | 283 | 875 | |
| 200 | 600 | 375 | 320 | 282 | 260 | 38 | 3 | 4.5 | 12-φ30 | 283 | 1160 | |
注:由于产品改进技术创新参数可能有一定变化,公司不另行通知,请咨询公司技术部门索取新数据。