一、微型电动球阀 产品概述


上海江控阀门有限公司生产的空调系统专用微型电动球阀、电动二通球阀、电动三通球阀是一款高节能自动复位(断电后开阀或关阀)的新型产品,主要用于供热采暖、暖通空调水系统的通断控制。电动二通、三通球阀由电动驱动器和阀体二部分组成,驱动器采用集成芯片,在突然断电时能自动打开阀门,使用户在特殊情况下不会因停电而停暖,输暖管路也不会因停电而冻坏。
特点:
1、直通水流,流量大,不堵渣;
2、良好的防水防灰功能;
3、阀门冷热及环境冷热传不到执行器内;
4、执行器可在设备、管道安装完后再装,更利于提高警惕安装工效;
5、由于执行器的偏心结构,阀门可紧贴墙面安装;
6、拆掉驱动器的球阀可用普通工具开关;
7、阀门柔性开启,能有效防止水锤;
8、加封签锁,可防止驱动器随便拆下;
9、功率消耗:在阀门开启、关闭时2W,几乎没有功率消耗。
适用场景:
微型电动球阀适用于空调水、饮水等场合使用。

二、微型电动球阀 产品图片


微型电动球阀(不锈钢阀体)微型电动球阀(铜阀体)
三、微型电动球阀 技术参数


适配阀门DN8 ~ DN32
驱动机构金属齿轮传动
输出力矩6NM
电机功率MAX 5W
选配控制CR01CR02CR02+CR03CR03TCR03ACR04CR05CR06
工作电流MAX100mA
介质温度0-90度
出线数2线、3线、5线
防护等级IP65
阀体材质黄铜(DN8 ~ DN32)
不锈钢(DN15~32)
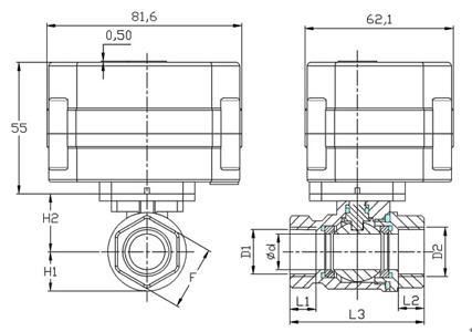
四、微型电动球阀 安装尺寸


微型电动球阀图纸
五、微型电动球阀 接线方式


CR01(颠倒正负极模式)配线图 电压:DC3-6V/12V/24V
1.SW与OPEN相连,阀开,到位后内部自动断电,并保持在阀开的状态;
2.SW与CLOSE相连,阀关,到位后内部自动断电,并保持在阀关的状态。
备注:SW为双联开关

微型电动球阀接线方式

CR02(三线两控模式)配线图 电压:DC3-6V/12V DC9-24V
1. SW与OPEN相连,阀开,到位后内部自动断电,并保持在阀开的状态;
2. SW与CLOSE相连,阀关,到位后内部自动断电,并保持在阀关的状态。

微型电动球阀接线方式

CR02+(三线断电复位模式)配线图      电压:DC9-24V 
1.SW与OPEN相连,阀开;到位后内部自动断电,阀门保持开的状态,备用电源充电
2.SW与CLOSE相连,阀关;到位后内部自动断电,阀门保持关的状态
备注:外部电源断电,阀门恢复出厂状态,红、蓝、黄三线不能同时供电,以免损坏阀门

微型电动球阀接线方式


注:由于产品改进技术创新参数可能有一定变化,公司不另行通知,请咨询公司技术部门索取新数据。


下载:上海江控阀门有限公司-产品样本-微型电动球阀.PDF


微型电动球阀链接:https://www.jakon.cn/list_2/38.html

相关推荐/RECOMMEND