上海江控阀门有限公司的PSL电动执行器具有体积小、重量轻、功能强、智能操作器内装、操作方便等特点。PSL系列直行程电动执行器大行程达到100mm,大推力可达到25KN,适合于直线动作的阀门开关或调节控制。
| PSL电动执行器 |
1.一体化结构设计,位置变送器和伺服放大器做为两个独立部件均可直接装入执行机构内部,直接接受4-20mA控制信号,输出4-20mA或1-5VDC阀位反馈信号,具有自诊断功能,使用和调校十分方便。
2。功能模块式结构设计,通过不同可选功能的组合,实现从简单到复杂的控制,满足不同应用要求。
3。结构简单,体积小巧,重量轻,便于安装和维护,机械零件全部采用CNC加工制作,工艺精湛。
4。传动全部采用小齿隙密封齿轮,具有效率高、噪声低、寿命长、稳定可靠、无需加油,多种运行速度,可满足各种控制系统的要求,以保证系统的快速响应及稳定性。
5。同阀门的连接采用柔性盘簧连接,可避免阀杆与输出轴不同轴给阀门带来的影响,可预置阀门关断力保证阀门的可靠关断,防止泄漏。行程可调,便于与阀门连接。
6.驱动电机采用高性能稀土磁性材料制作的高速同步电机,运行平稳。具有体积小、力矩大、抗堵转、控制精度高等特点。
7。可设置分段调节,即由一台调节器输出的双时间比例信号控制两台执行机构(4-12mA对应PSL1的全开或全闭,12-20mA对应PSL2的全开或全闭)。
8。阀位反馈元件采用全密封高精度多圈电位器,具有体积小、精度高、死区小、使用寿命长等特点。全部电器元件均采用世界名牌产品,质量可靠。电器部件布线严谨并与传动部件完全隔离,提高了执行机构运行性的可靠。
PSL直行程执行机构主要是由相互隔离的电器控制部分和齿轮传动部分组成。电机作为连接两隔离部分的中间部件,电机按控制要求输出转矩,通过多极正齿轮传递到梯形丝杆上,丝杆通过杆螺纹变换转矩为推力。此杆螺纹能自锁,并且将直线行程通过与阀门的适配器传递到阀杆。执行机构出轴带有一个防止转动的止转销,出轴的径向锁定装置可以作为位置指示器。锁定装置连有一个连杆,连杆随输出轴同步运行,通过与连杆连接的线路板将输出轴位移转换成电信号,提供给伺服放大器做为比较信号和阀位反馈输出,同时执行机构的行程也可由开关板上的两个主限位开关来限制,并由两个机械限位档块来调整限定位置。
| 标准 型号 | 推力 (KN) | 速度 (mm/s) | 大 行程 (mm) | 电源(v) | 功耗(w) | 电机保护 | 出线连接 | 手动 操作 | 防护 等级 | 重量 (kg) |
|---|---|---|---|---|---|---|---|---|---|---|
| PSL201 | 1.0 | 0.4/1.2 | 50 | 220VAC | 35 | 允许堵转 | 2×M20×1 | 手轮 | IP67 | 5.5 |
| PSL202 | 2.0 | 0.4/1.2 | 50 | 220VAC | 40 | 允许堵转 | 2×M20×1 | 手轮 | IP67 | 5.8 |
| PSL204 | 4.0 | 0.4/1.2 | 50 | 220VAC | 45 | 允许堵转 | 2×M20×1 | 手轮 | IP67 | 6.0 |
| PSL208 | 8.0 | 1.0 | 60 | 220VAC | 80 | 允许堵转 | 2×M20×1 | 手轮 | IP67 | 8.0 |
| PSL210 | 10.0 | 1.0 | 60 | 220VAC | 80 | 允许堵转 | 2×M20×1 | 手轮 | IP67 | 8.2 |
| PSL312 | 12.0 | 1.0 | 65 | 220VAC | 130 | 热敏开关 | 3×M20×1 | 手轮 | IP65 | 22.0 |
| PSL314 | 14.0 | 1.0 | 65 | 220VAC | 130 | 热敏开关 | 3×M20×1 | 手轮 | IP65 | 22.0 |
| PSL316 | 16.0 | 1.0 | 100 | 220VAC | 135 | 热敏开关 | 3×M20×1 | 手轮 | IP65 | 22.0 |
| PSL320 | 20.0 | 1.0 | 100 | 220VAC | 140 | 热敏开关 | 3×M20×1 | 手轮 | IP65 | 23.0 |
| PSL325 | 25.0 | 1.0 | 100 | 220VAC | 140 | 热敏开关 | 3×M20×1 | 手轮 | IP65 | 23.0 |
位置信号变换电路将反映执行机构位置的1000欧三线滑线电阻信号的变化情况转为4-20mA。控制输入与位置信号同时送到偏差放大器进行比较,比较结果控制固态开关的通断,实现对执行机构的开或关控制。根据控制要求调整灵敏度,可以改变跟踪精度和消除因机械惯性可能产生的振荡。
| 电源电压 | AC220V 50Hz |
|---|---|
| 功 耗 | 5VA |
| 开关容量 | 150VA(24V 50VA) |
| 输入信号 | 4-20mA或1-5V |
| 输入阻抗 | 250Ω或500Ω |
| 输出信号 | 4-20mA时≤650Ω |
| 绝缘电阻 | 主电路一控制电路:100MΩ(500VDC);控制电路一输出电路:100MΩ(500VDC);输出电路一主电路:100MΩ(500VDC |
| 重复精度 | ±1% |
| 灵敏度 | ±(0.5-5%)F.S |
| 滞后 | 50%灵敏度 |
| 环境温度 | -20℃~+70℃ |
| 储存温度 | -30℃~+50℃ |
开关动作模式
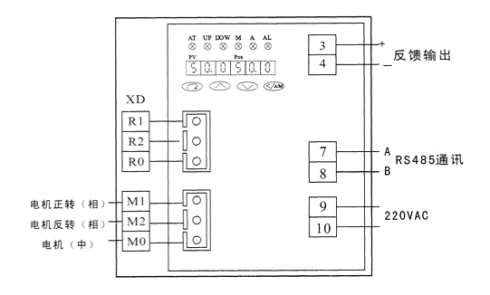
输入:电机正转,反转相线:及中线;输出:4-20mA反馈信号;(打开机壳即可看见如图示意,执行机构外壳内有端子条用于电气接线,选择适当的电源线与执行机构相连,建议使用Φ1.0(mm)导线)
![]() |
| PSL电动执行器开关型接线图 |
调节动作模
输入:4~20mA、1~5V;输出:4-20mA反馈信号;(打开机壳即可看见如图示意,执行机构外壳内有端子条用于电气接线,选择适当的电源线与执行机构相连,建议使用Φ1.0(mm)导线
![]() |
| PSL电动执行器调节型接线图 |
注:由于产品改进技术创新参数可能有一定变化,公司不另行通知,请咨询公司技术部门索取新数据。
下载:上海江控阀门有限公司-产品样本-PSL电动执行器.PDF
PSL电动执行器链接:https://www.jakon.cn/list_15/193.html